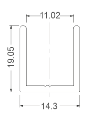
15030-10 - 3/4" SHOWER CHANNEL-10mm Glass
Description:
A 3/4" tall U-channel for 10mm glass in an 10 foot length. Extruded out of aluminum, it fits on 10mm glass directly to secure it from the edges, using Silicone
Available Finishes:
- CHROME
- BRUSHED NICKLE
- MATT BLACK
- MATT GOLD

Sketch:

Disclaimer:
Actual colours may vary. We do our best to ensure that our photos are as true to colour as possible. However, due to photographic lighting sources, inconsistencies of various monitors settings, we cannot guarantee that the colour you see accurately portrays the true colour of the product. Furthermore, every individual may see these colours differently. If you require an exact colour match, please contact us and we can provide a sample.
No specific product notes are available for this item.