15125 - HOLLOW BASE SHOE PROFILE
15125-12-H
Base Shoe: The Modern Glass Railing SystemThe base shoe is an aluminum or steel channel, mounted directly onto the floor or surface, which holds the glass panels firmly in place without the need for bulky posts or supports.
Description:
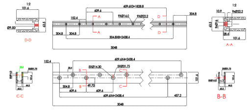
STERLING Innovative Design For Hollow Base Shoe Brings Ease To Contractors When Installing Side Or Bottom At Job Site, Having Drainage Holes Every 12 Inches Is An Excellent Idea For Rain Water Drainage.
Specifications:
- Material: T5 Aluminum Stock
- Stock Length: 10’
- Width/Height: 65mm/100mm
- Glass Thickness: 12mm
- Mill Finish
- Use Zenith series clamps 16000 every feet
- Use Cladding 15012 for different shades
- Use 15027 Gasket
Sketch:

No specific product notes are available for this item.